SD-BD-04-03/Rev.11/30-04-69

LIGHTING CONTROL PANEL
LIGHTING CONTROL PANEL
LCP_product

DESCRIPTION

The Lighting Control Panel (LCP) controls up to 63 lighting poles. It includes a photo sensor for automatic ON/OFF control and communication capability for status monitoring. Abnormal current conditions are reported via the Line Notification System.

LCP_Internal Component Layout

DIMENSION

LCP _Dimension

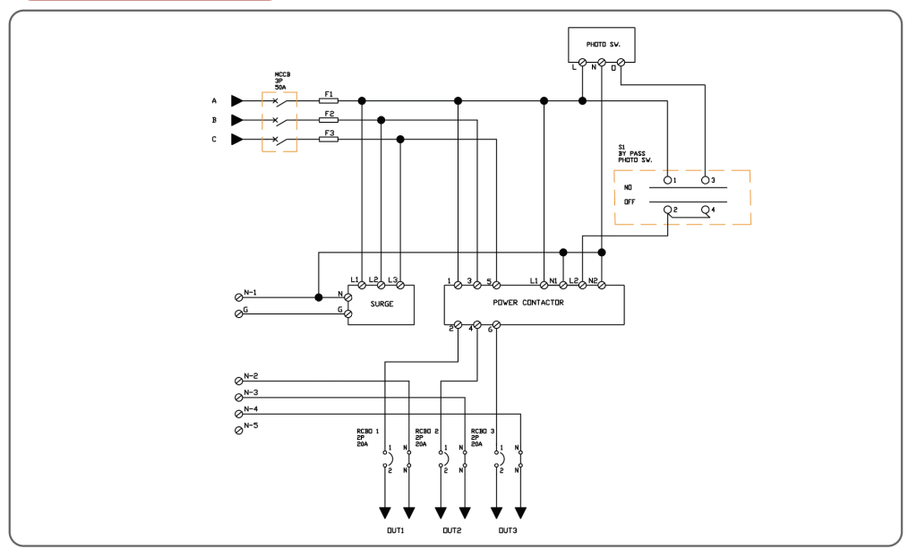
CONNECTING DIAGRAM

LCP_Connecting Diagram