SD-BD-04-03/Rev.10/27-02-69

TRANSFER SWITCH (OPEN TRANSITION)
TRANSFER SWITCH (OPEN TRANSITION), ATS Open 800A, ATSสวิตซ์สลับไฟ แหล่งจ่ายไฟอัตโนมัติ

Description

The OTTS (AS-I series) open-transition transfer switch is designed for AC and DC power systems. Rated voltage: up to 690 VAC or 250 VDC. Rated current: 100 A to 800 A. In case of main power failure, the load is automatically transferred to the standby source. Conforms to IEC 60947.

Features

OTTS_Features

Specification

OTTS_Spec

Dimension

OTTS_Dimension
OTTS_Dimension2
OTTS_Dimension3

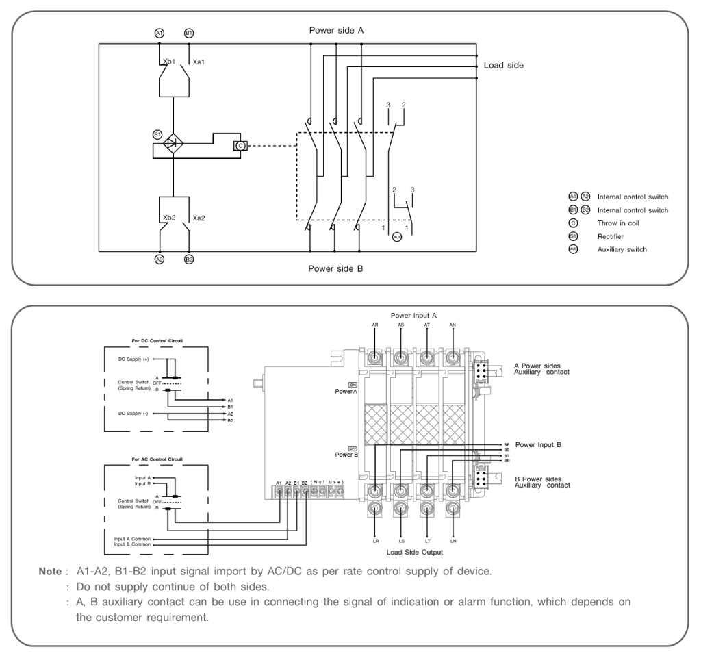
Connection Diagram

OTTS_Connection Diagram

Product Coding

OTTS_Code