SD-BD-04-03/Rev.10/27-02-69

TRANSFER SWITCH (CLOSED TRANSITION)

Description

The CTTS (Closed Transition Transfer Switch) provides make-before-break transfer between two power sources. Voltage and frequency are synchronized before transfer to ensure seamless load transition Suitable for applications requiring uninterrupted power.

Applications

      

  • Used in power plants and critical facilities requiring uninterrupted transfer
  • Suitable for planned maintenance or testing without load interruption

Specification

CTTS_Spec

Characteristics

                • This is an uninterruptible switch with closed transition type operation mechanism, which temporarily switches power to both commercial and power generation at the same time and then switches to the control direction.
               •It is possible to switch to uninterruptible during parallel operation of both power sources. The trip structure also enables the neutral position (positive power off). The same operation as the existing CTTS is possible. A->OFF B, B->OFF A and A->OFF->A, B->OFF->B Operation are possible. Overlapping switching and Not overlapping are also possible according to the operating instructions.

CTTS_Characteristics

Dimension

CTTS_Dimension

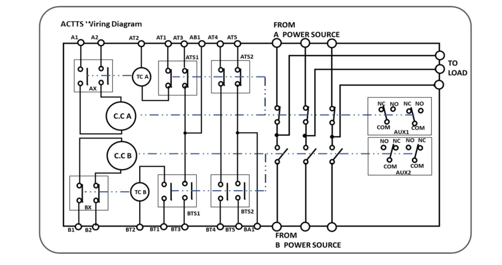
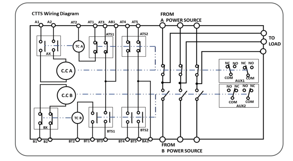
Block Diagram

CTTS_Connection Diagram

Product Coding

CTTS_Code